Всем доброго времени суток, Друзья!!!
Как Вы знаете у меня на стапеле "Александрия" (п/х № 4), и как Вы помните я уже сетовал на отсутствие многих деталей на модели из музея
фото приводил выше, для пользы дела приведу еще раз.
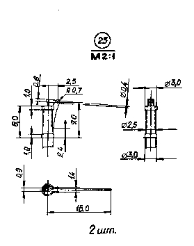
Так вот, как видите на модели отсутствуют, скажем так некоторые детали которые должны быть. Например: кнехты, утки, дефлекторы (воздухозаборники), ну и еще ряд.......
Вопрос по дефлекторам и зашел у меня с коллегой судомоделистом. Я, говорю - должны быть , а он говорит - [i]...... я считаю, что их тогда не было.
Даже в середине 19 века на парусниках всё ещё в ходу были парусиновые рукава — прообразы будущих дефлекторов, которые, растянутые под штагами грота, ловили ветерок и направляли его в трюм…
Вот таково моё мнение по поводу дефлекторов.[/i]
А мое мнение таково - Вентиляция помещений на судах и кораблях, вплоть до конца 19-го столетия сводилась к естественному проветриванию.
Теорию естественного движения в воздуха в камерах и трубах создал еще М.В. Ломоносов. Практически 100 лет назад, от интересующих нас событий и в России. А, центробежный вентилятор был изобретен в 1832 году А.А. Собуровым. !!!!! Есть над, чем подумать. Правда?
Ну и далее. Естественное проветривание осуществляется из-за разницы давления внутри и снаружи. Для создания повышенного давления как раз и используются дефлекторы. Данная система вентиляции конструктивно может быть выполнена канальной и бес канальной. В нашем, случае скорее всего вторая. И применялась для вентиляции машиностроительных отделений судов - световые люки, иллюминаторы с помощью дефлекторных головок. Тоесть дефлекторы должны быть.
Просто я далек от мысли, что для проветривания на яхте царя, применялись парусиновые рукава!?!? Скорее всего склонюсь к мысли, что применимы были центробежные вентиляторы Собурова.
Хотелось бы услышать Ваше авторитетное мнение по этому вопросу.
С уважением и в ожидании.
Отредактировано Старпом (30.07.20 06:51:04)









Еще более странно, что она повторяется на модели очень высокого уровня изготовления. Кстати и про вент.раструбы можно всё понять - их просто нет.












































Получается дефлекторов нет, помпы нет, компаса нет, я уж не говорю про машинный телеграф (может действительно кричали в низ), получается просто супер-пупер пароход какой-то, а не императорская яхта. Вроде теперь все встает на свои места. Буду посмотреть и поискать эти помпы. 